-
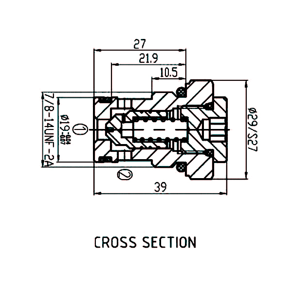
EMDF11-03 单向阀 Check valves
技术参数 Specifications
1.额定压力(Rated pressure):250bar
2.额定流量(Rated flow):15L/min
3.开启压力(Cracking pressure):9-10bar
4.泄漏量(Internal leakage):2drops/min
5.油液清洁度(Cleaning code):20/18/15(NAS9)
6.工作温度(Temperature range):-20~+100℃
7.安装扭矩(Installation torque):40~45Nm全国服务热线:18205265888


立即咨询


